銷售①:13508662630 銷售②:13507271573
公司地址:襄陽市樊城區春園西路賈洼工業園 郵箱:xfycdq@163.com
光伏發電系統的雷電入侵路徑,除光伏組件外,還有配電線路、接地線以及它們的組合。為了保證電力系統的安全運行和光伏發電及電力設施的安全,并網光伏電站必須有良好的避雷......
發布時間:2017-05-13
1.電纜載流量計算參考《GB50217-2007:電力工程電纜設計規范》敷設在空氣中的電纜載流量按:KIXUIJS選擇。IJS計算工作電流,單位A;IXU電纜在......
發布時間:2017-05-13
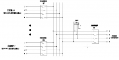
并網接入柜安裝在光伏發電的并網點,主要由主斷路器、分斷路器、電流互感器、測控表計、關口計量等設備組成。u故障隔離功能,短路瞬時、長延時保護功能和欠壓脫扣功能u光......
發布時間:2017-05-13
交流匯流箱選用交匯流箱,IP65,戶外使用。光伏交流防雷匯流箱的作用是對逆變器的輸出進行匯流,匯流箱應具有以下功能:1.滿足室外安裝的使用要求,防水、防銹、防曬......
發布時間:2017-05-13
(1)光伏組串串并聯設計光伏組件串聯的數量由逆變器的最高輸入電壓和最低工作電壓、以及光伏組件允許的最大系統電壓所確定。光伏組串的并聯數量由逆變器的額定容量確定。......
發布時間:2017-05-13



(不想等待可點擊按鈕通過QQ進行溝通,或直接電聯。)
關閉